龙门吊大车转场机构优化改造
2019-01-08张金锋
(厦门集装箱码头集团有限公司,福建厦门 361006)
摘 要:转场插销导套及端盖是龙门吊的大车转场机构的主要构件,现对其卡塞、松动、掉落等故障原因进行分析,设计加工一体式的导套端盖总成,总成具有顶升拆卸螺栓孔,解决导套卡塞、端盖掉落、拆卸困难等问题。技术改造后,大车转场故障大幅减少,效果较好。
关键词:港口;龙门吊;大车转场机构;导套端盖
0 引言
0 引言
轮胎式龙门吊是集装箱码头堆场作业的主要设备。厦门集装箱码头集团有限公司海天分公司(以下简称“公司”)有某龙门吊制造公司生产的龙门吊32台,使用至今已有10多年。大车是龙门吊行走及转场的机构,每台龙门吊有对称的2套大车机构,其主要构件有轮胎、减速箱、电机、轮叉、平衡梁、转场油缸、插销、回转轴承、液压站等。据统计,大车故障约占龙门吊总故障的30%。在此,针对大车机构中故障率较高的转场插销进行分析,提出有效的故障解决方法,减少故障率。
1 大车转场机构工作原理
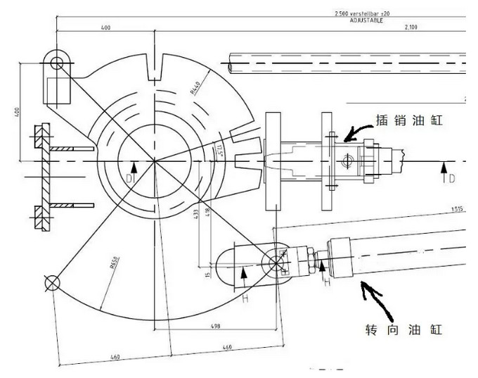
大车转场动力来源于发动机发电机组的发电,转场作业时,司机操作转场按钮,安装在大车中部的液压站通电后,油泵开始工作,一方面通过油管将液压油输送到转向油缸,带动油缸活塞杆推动转场连接板,利用回转轴承的转动带动车轮原地旋转,完成转场动作。另一方面通过油管将液压油输送到插销油缸,带动插销行走,插销回缩到位后,转场油缸伸出推动转场连接板开始转场动作,当转场连接板转到90°时,到位停止,插销油缸开始伸出,插入转场连接板槽内,到位停止后完成转场。反之,司机操作转场回零按钮,插销油缸活塞杆回缩,插销回缩到位后,转场油缸活塞杆缩回,转场连接板转动,达到0°时,限位传感器感应到停止信号,转场动作停止,大车回到正常作业行走的位置。插销机构的主要功能是保证转场连接板的位置固定,即正常行走时插销插入连接板固定在0°位置,当转场达到90°时插销插入使连接板固定在90°位置,保证整个转场及正常行走位置的固定。整个转场、回零机械动作主要通过转场、插销油缸完成,电气控制主要通过限位传感器和PLC控制完成。龙门吊大车转场机构示意图见图1。

图1 龙门吊大车转场机构
2 插销油缸导套和固定端盖功能
为减少转场插销磨损,在插销外部油缸体内侧安装插销导套,其作用是减少插销磨损,同时起到为插销行走导向的作用。插销伸缩时,若导套卡塞,会影响插销伸缩,导致插销不到位,造成感应开关感应不到位,无法正常转场。插销外部紧固的端盖主要是作为插销油缸总成导向,同时防止插销导套脱落,其紧固程度直接影响插销动作是否顺畅。改造前分体式插销油缸导套和端盖见图2。

图2 改造前分体式插销油缸导套、端盖结构
3 主要故障
龙门吊使用多年后,大车故障持续上升,除受油管老化、液压油渗漏、液压系统压力达不到系统要求等故障外,尤为突出的是大车转场机构存在的插销油缸故障。受作业场地的限制,龙门吊需要经常转到其他场地进行作业,因此转场动作较为频繁。由于受油缸伸缩冲击抖动等,端盖螺栓承载负荷加大引起螺栓松动或折断,造成螺栓孔扩大呈椭圆状,端盖间隙大,造成插销导套滑落丢失。插销导套安装在插销的滑槽上,加工呈圆筒后切去滑槽缺口,使用多年后磨损严重,同时由于该导套与插销接触呈自由状态,行走轨迹无法固定,容易造成卡塞,引起插销插不到位,故障频现,已经严重影响正常作业,急需解决该机构故障。
4 需要解决的问题
4.1 导套卡塞
对每次转场插销故障进行分析,发现故障大多是由插销卡塞造成的。卡塞的主要原因是插销导套为开口的圆筒形状,在插销及钢壁内没有支撑,使插销在行走中呈自由状态,容易跑位。要解决该问题,必须先解决导套的支撑问题,同时导套材料的选材必须是耐磨性能好、不易变形的优质材料。
4.2 端盖松动脱落
端盖紧固原机采用M12沉头螺栓,没有弹簧垫,端盖紧固扭矩不足,容易引起螺栓松动或折断。解决的方法是对端盖螺栓孔进行改进,采用普通的螺栓孔,紧固时采用10.9级高强度M12螺栓加弹簧垫进行紧固,可大大提供紧固扭矩。
4.3 拆装困难
原机插销导套磨损或卡塞在拆卸时需要将整个转场油缸座拆下,拆下后将插销油缸前后解体才能取出导套,处理插销导套卡塞故障,工作量大,停机时间长,而改造必须考虑维修拆装简单化。
5 改造方案
5.1 导套端盖改造
为解决导套卡塞,必须首先考虑其支撑问题,由于导套安装在插销及缸体内壁,因此,在内侧无法进行支撑固定。外侧查看端盖具有紧固固定作用,改造首先考虑端盖的支撑固定作用,因此将端盖与插销导套加工成一体式,即开口圆筒与端盖合一,导套支撑固定问题才能得到解决。改造后的一体式导套端盖见图3。在连接处采用R3过度,避免该连接处应力集中造成断裂。端盖螺栓孔加工呈普通圆孔形,采用10.9级高强度M12螺栓加弹簧垫代替内六角沉头螺栓,紧固扭力提升20%,解决端盖螺栓易松动折断问题,新加工的导套端盖总成不易掉落。端盖的支撑将使导套不会在插销内自由活动,插销伸缩稳定,卡塞故障可以得到解决,安装更为方便。改造后的插销油缸机构见图4。

图3 改造后一体式的导套端盖


5.2 材料选用改进
整个二合一的导套端盖总成采用42CrMo材料,硬度调至HB230-250,端盖厚度由原来的8mm改为10mm,强度、耐性和韧性更好,不易折断变形,磨损量小。
5.3 拆卸工艺改进
在新加工的端盖上增加2个M12顶升拆卸螺栓孔,拆卸时只要旋进2个顶升螺栓,随着螺栓的旋紧,整个端盖导套总成即可随之缓慢移出,不必将插销油缸总成拆卸解体,维修拆卸时间大幅缩短。
6 结语
经实际应用,该大车机构插销导套及端盖经优化改造后,插销能够准确到位,插销导套卡塞故障消除,转场作业故障次数大幅下降。同时,改造后大幅减少维修时间,减少维修人员的工作量。经过对近20台龙门吊改造跟踪检查,故障率下降约60%,维修时间及工作量可缩短约40%,从而保障码头安全高效生产,效果显著。
(来源:港口科技)
