大型轴流风机振动分析及处理
2026-02-05轴流风机以其流量大、启动力矩小、对风道系统变化适应性强的优势逐步取代离心风机成为主流。轴流风机有动叶和静叶2种调节方式。
动叶可调轴流风机通过改变做功叶片的角度来改变工况,没有截流损失,效率高,还可以避免在小流量工况下出现不稳定现象,但其结构复杂,对调节装置稳定性及可靠性要求较高,对制造精度要求也较高,易出现故障,所以一般只用于送风机及一次风机。
静叶可调轴流风机通过改变流通面积和入口气流导向的方式来改变工况,有截流损失,但其结构简单,调节机构故障率很低,所以一般用于工作环境恶劣的引风机。
随着轴流风机的广泛应用,与其结构特点相对应的振动问题也逐步暴露,这些问题在离心式风机上则不存在或不常见。本文通过总结各种轴流风机异常振动故障案例,对其中一些有特点的振动及其产生的原因进行汇总分析。
一、动叶调节结构导致振动
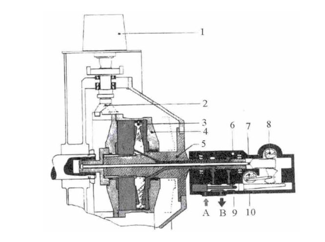
动叶可调轴流风机通过在线调节动叶开度来改变风机运行工况,这主要依赖轮毂里的液压调节控制机构来实现,各个叶片角度的调节涉及到一系列的调节部件,因而对各部件的安装、配合及部件本身的变形、磨损要求较高,液压动叶调节系统结构如图1所示。动叶调节结构对振动的影响主要分单级叶轮的部分叶片开度不同步、两级叶轮的叶片开度不同步及调节部件本身偏心3个方面。

1—碟片;2—调节杆;3—活塞; 4—油缸;5—接收轴;6—控制头;7—位置反馈杆;8—输出轴;9—控制滑伐;10—输入轴;
A—压力油;B—回油。
图1 轴流风机液压动叶调节系统结构
1. 单级叶轮部分叶片开度不同步
单级叶轮部分叶片开度不同步主要是由于滑块磨损、调节杆与曲柄配合松动、叶柄导向轴承及推力轴承转动不畅引起的。这些部件均为液压缸到动叶片之间的传动配合部件,会导致部分风机叶片开度不到位,而风机叶片重量及安装半径均较大,部分风机叶片开度不一致会产生质量严重不平衡,导致风机在高转速下出现明显振动。
单级叶轮部分叶片开度不同步引起的振动主要特点如下:
振动频谱和普通质量均不平衡,振动故障频谱中主要为工频成分,同时部分叶片不同步会产生一定的气流脉动,使振动频谱中出现叶片通过频率及其谐波,部分部件的磨损及松动则会产生一定的非线性冲击,使振动频谱中出现工频高次谐波成分,这在振速频谱中表现得相对明显一些,在位移频谱中几乎观察不到。
风机振幅不稳定,振幅变化主要发生在动叶开度调节过程中,在动叶开度稳定时振幅基本保持稳定,有时会随动叶开度变化而逐步变化。
刚升速至工作转速、风机动叶未开或开度较小时,风机振幅一般较小。
2. 两级叶轮叶片开度不同步
对两级动叶可调轴流风机而言,还存在两级叶轮叶片开度不同步的问题。其原因主要是液压执行机构铜套磨损或者两级推力盘问连杆磨损变形。连杆主要用于同步一、二级推力盘之间的轴向位移,连杆的磨损变形会导致两级推力盘间位移不同步,从而导致两级动叶开度变化不同步。液压缸铜套的磨损、局部开裂、变形及中心轴间隙变大则会导致两级动叶的开度调节整体不到位,从而使两级动叶开度不一致。
由于单个叶轮的所有叶片开度均同步,所以并不会明显影响转子的动平衡情况,因此,其振动故障频谱中工频占比一般相对较小,主要是产生较大的叶片通过频率,在松动严重的情况下还会出现工频高次谐波成分。振幅一般在某个特定负荷(动叶开度)下存在最大值,且振幅出现波动,其中工频和叶片通过频率均出现波动变化,而在其他负荷或未带负荷时振幅则相对较小。
3. 调节部件偏心
调节部件偏心主要指质量较大的调节部件的安装偏心、松动,由于质量较大,当其旋转中心与转子中心发生偏斜时,将会产生较大的质量不平衡,而由松动导致的偏心也会产生质量不平衡。对于动叶可调轴流风机而言,主要指液压缸的安装偏心及松动。如果仅是液压缸安装偏心,而紧力足够,则只会导致质量分布的改变,风机转子会出现单纯的质量不平衡故障,故障频谱主要为稳定的工频成分,每次启机定速后振动值均比较稳定,不会随负荷工况发生变化。如果是由于液压缸安装时紧力不足导致的松动,则会产生不稳定的质量不平衡,每次停机后再次启机,由于离心力的变化,液压缸的位置会发生改变,致使每次启机的振动数据均不一致,振动主要以工频为主,在转速不变时振动则比较稳定。对于此类故障,由于单次定速后振动很稳定,容易与原始质量不平衡混淆,导致无谓的反复动平衡。
二、气流脉动导致振动
气流脉动是普遍存在的气流分离与蜗流发展的产物。对于轴流风机,除去原设计及后期改造中进出口流道、挡板等通流结构设计不合理导致的流体脉动外,在运轴流风机出现流体脉动的原因如下:
静叶可调轴流风机叶片开度的冗余度较大,低负荷下静叶开度的变化容易导致风机工作点落入不稳定运行区域,产生流体脉动甚至喘振,引起强烈振动。
因焊接刚度、局部应力、腐蚀或异物进入,导致风机动叶片及导叶严重磨损甚至局部脱落,引起流体脉动。
因风机进口流道挡板异常、异物堵塞等原因,导致系统阻力增加,流量不足,引起流体脉动、失速甚至喘振。
现场实际测试数据显示,上述几种流体脉动引起的风机振动现象及特征相似,主要包括以下几点:
气流脉动多引起风机机壳、进出口管道及机壳基础振动,对轴承及转子机械振动的影响较小,起振频率主要为与转子主频无关的低频成分。
当动叶或静叶磨损、破裂产生气流脉动时,其气流脉动会与机械振动相耦合,此时气流脉动故障频率中会出现较大的叶片通过频率及其谐波,且轴承及转子也会出现故障频率。
气流脉动除引起风机振动变化外,还会引起风机电流、流量不稳,甚至大幅波动,导致并联运行的2台风机在同等风量下电流差异较大,现场有明显气流噪音。
三、支撑动刚度弱及局部共振导致振动
大容量轴流风机相比于离心风机,其自重、外形尺寸均较大,支撑连接构件也较多,因设计刚度薄弱、连接松动、局部共振所带来的振动问题也更多、更加难以判别。
1. 设计支撑动刚度较弱
大容量轴流风机重量、外形尺寸增加较多,而支撑材料往往比较薄弱。风机多采用3水泥座支撑方式,即进气箱支腿、下机壳支腿、扩散筒支腿分别支撑在3个水泥座上,每个水泥基座高度较高,横截面积不足,横向刚度较差,易引起较大的风机横向振动,尤其在风机负荷较高时,风机转子传递到基座上的作用力增大,振幅则更大。
在没有异常激振源的情况下,设计支撑结构刚度弱导致的振动主要以工频为主。支撑结构的基础、支腿、壳体振幅较接近,且由上到下均匀减小,但支撑结构整体振动较大,主要表现在水平方向,而垂直及轴向振动一般较小。一般通过动平衡或者加固支撑基础,可降低转子激振力,从而降低风机振动水平。
2. 连接松动
轴流风机壳体下部通过支腿与水泥基座连接,左右通过一圈螺栓与进气箱、扩散筒连接,上、下半筒之间通过两排螺栓连接,轴承座固定在下半壳体上。由于轴流风机壳体连接部位较多,在长期运行中易出现紧力不足、连接松动的情况,而且部分轴流风机连接松动引起的振动会非常大,尤其是壳体共振频率与工作转速较为接近时,连接松动往往导致壳体固有频谱偏移,产生共振,振动被进一步放大。如风机壳体与左右风道壳体连接螺栓出现局部松动时,壳体振幅可以放大1倍多,而壳体松动产生共振时,甚至可以出现1个数量级的振动差别,部分大容量机组的轴流风机下支撑采用弹簧基础,长时间运行后,出现基础沉降不均,也会导致支撑动刚度明显不足,产生明显振动。
风机连接松动引起支撑动刚度弱产生的振动,一般采用现场紧固排除。此类振动以工频为主,随负荷变化有一定波动,松动接触面差异振动明显,一般应首先紧固各连接面螺栓,有滑动支腿的则紧固、垫实支腿,然后测试各接触面振动的差异,并对比其紧固前后的振动情况,以排查是否存在连接松动问题。
3. 局部共振
由于轴流风机的结构特点,其在转速频率及叶片通过频率附近的固有频率较大,很容易产生局部共振。如风机各支腿、上下壳体、支撑板、叶片等均有1到几个固有频率,有些叶片通过频率与风机常见的故障频率非常接近,很容易引起局部共振。
对于此类振动问题,现场很难大幅改变各结构固有频率,一般是在紧固各连接面,排除因连接松动导致的共振后,通过减小激振力来降低振动水平。如采用动平衡降低工频激振力,或对叶片开度一致性、叶片不均匀磨损情况等进行检查处理,减小叶片通过频率的激振力。
四、振动故障处理建议
在处理大容量轴流风机异常振动时,除常规的故障频率分析外,还应分析振动的变化特点,如振动随时间、负荷、开度、环境温度等的变化情况,升降速、刚定速及带负荷下的振动情况,现场连接部件差异振动、松紧螺栓振动的测试情况。
2次动平衡振动规律差异较大时,应去掉前期所加平衡块,测试2次启机后振动的重合性,找出其本身振动变化的原因。
动叶可调轴流风机液压调节结构故障的原因很多,在发现振动与叶片开度关联较大,且出现明显叶片通过频率或工频谐波时,应重点排查液压调节结构松动、磨损等缺陷。
来源:优感设备诊断中心微信公众号,作者:何小锋。
(版权归原作者或机构所有)
